Характеристики :
• Регулируемая скорость хода с установленным потенциометром
• Технология соленоидного привода, обеспечивающая работу в диапазоне от 95 до 260 В переменного тока и
автоматическую адаптацию в соответствии с напряжением сети
• Низкое энергопотребление
• Вертикальный монтаж, а также альтернативный вариант монтажа с помощью монтажной ножки,
расположенной на баке для химикатов, лёгкость и гибкость установки и использования
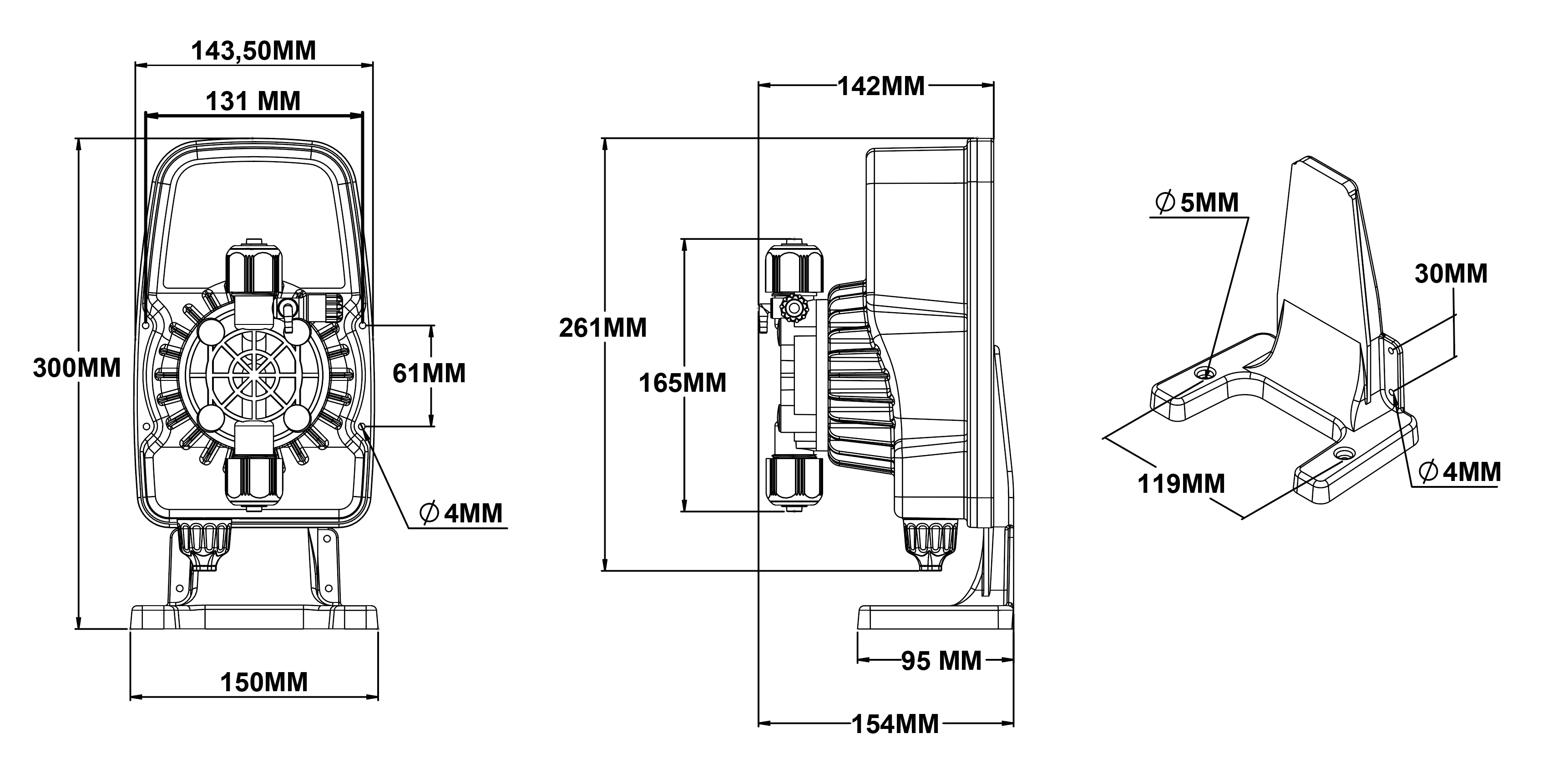
• Полностью выполненный из пластика корпус IP65 с высокой устойчивостью к абразивным химическим
веществам
• Электромагнит, управляемый электронной схемой, и тефлоновая (ПТФЭ) мембрана с длительным сроком
службы
• Благодаря шаровой конструкции из циркония, не требует частого проведения технического обслуживания
• Поставляется вместе с всасывающим и нагнетательным вспомогательным оборудованием
• Лёгкосъёмный кабельный ввод
• 2 входа для контроля уровня жидкости
• Кнопка точной регулировки импульса насоса 1/10
модели :
| Складской код | Модель | Примечание |
| 306110010302000 | DP NOVA A 10L/10B VACFAT | 10 Lt./ 10 бар аналоговый дозирующий насос |
| 306103520302000 | DP NOVA A 3,5L/20B VACFAT | 3,5 Lt./ 20 бар аналоговый дозирующий насос |
| 306125005302000 | DP NOVA A 25L/5B VACFAT | 25 Lt./ 5 бар аналоговый дозирующий насос |
ТЕХНИЧЕСКИЕ ХАРАКТЕРИСТИКИ :
| Напряжение | 95-260 VAC 50-60 Hz |
| Линия всасывания, макс. высота | 1,5 mt |
| Линия нагнетания, макс. расстояние | 4 mt |
| Корпус | IP65 |
| Макс. T окруж. среды | 0–45°C |
| Макс. Т хим. среды | 0–40°C |
| Вес | 4,1 кг |
Используемые части дозирующих насосов СЕРИИ NOVA :
| Используемые части | Сырье |
| Головка насоса | ПВДФ |
| Корпус насоса | ПП |
| Комплект для всасывания |
ПВДФ, шаровая конструкция из циркония, Viton-EPDM* уплотнительное кольцо |
| Комплект для нагнетания |
ПВДФ, шаровая конструкция из циркония, Viton-EPDM* уплотнительное кольцо |
| Комплект для головки |
ПВДФ, шаровая конструкция из циркония, Viton-EPDM* уплотнительное кольцо |
| Мембрана | ПТФЭ |
| Соединительные муфты | ПВДФ |
| Уплотнительные кольца | Viton-EPDM* |
| Всасывающий шланг | ПВХ/ПЭ * |
| Нагнетающий шланг | ПЭ |
| Шланг для стравливания | ПВХ/ПЭ * |
* может варьироваться в зависимости от модели.
